Hi,欢迎来到厦门热龙智能科技有限公司!
客服热线:0592-8880569
简体中文
|
Englisg
首页
关于我们
产品中心
行业应用
技术支持
新闻中心
人才招聘
联系我们
远程操控设备
Previous
Next
您当前的位置:
产品详情
产品详情
驱动一体伺服电机系例
步进与伺服驱动器
运动控制器系列
步进与伺服电机
热龙智慧工厂系统方案
42电机
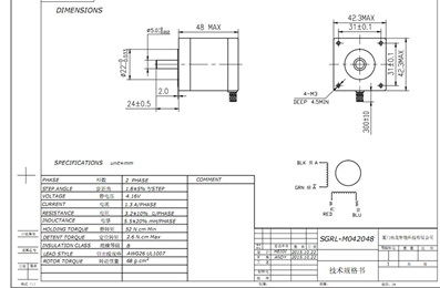
42步进电机 48mm 两相四线/5320G.CM
功能特性
技术参数
尺寸说明
电气连接
应用领域
配套产品
资料下载
产品视频
42步进电机 48mm 两相四线/5320G.CM(机器人,雕刻机等)
SGRL-M042048电机技术规格书.pdf
下 载
厦门热龙智能科技有限公司版权所有 ICP备案号:闽ICP备15022425号-1